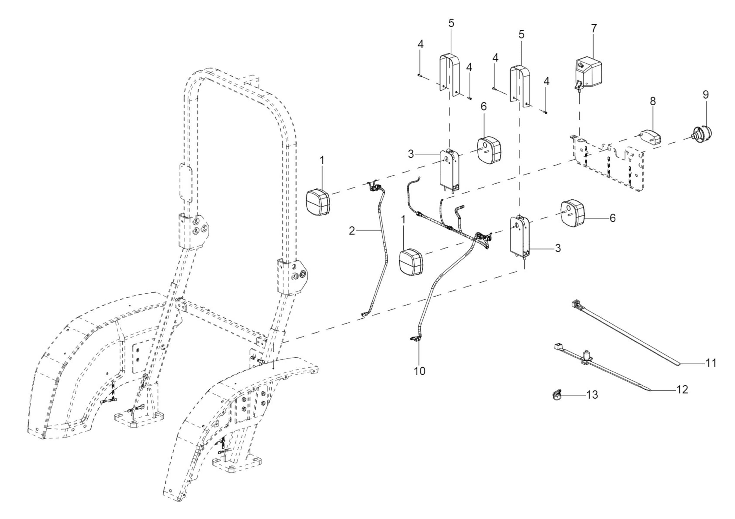
Heckbeleuchtung
-
Shop - Unser Sortiment
- FRÜHBEZUG
-
Landtechnik
- Ackerbau und Grünlandtechnik
- Ernte- & Futtertechnik
- Düngung, Gülle- & Biogastechnik
- Tierzucht
- Gelenkwellen
- Jagd
- Tierhaltung
-
Traktoren-Ersatzteile
- Kabine
- Bremse
- Filter nach Hersteller
- Aufbau und Zubehör
- Motor
- Dreipunktteile
- Wintertechnik und Ausrüstung
- Farben und Lacke
- Gabelzinkenfinder
-
Ersatzteile nach Fabrikat
- Joskin
- Claas
- Manitou
- Bautz
- Grammer
- Case IH
- Weidemann
- Valtra
- Yanmar
- TEBBE
- Etesia
- Multicar
- Agria
- Schäffer
- Landini
- Aebi
- Falc
- Renault
- Vogelsang
- Zetor
- Massey Ferguson
- JCB
- Same
- Suma
- Pronar
- HATZ
- Deutz - Fahr
- Kaweco
- Tecumseh
- Spearhead
- Merlo
- Kramer Allrad
- TYM
- Ahlmann / Mecalac
- Fendt
- Bressel und Lade
- Annaburger
- New Holland
- Strautmann
- Lindner
- Bomech
- Steyr
- Solis
- John Deere
- Heracles
- Bergmann
- ROPA
- Siloking
- Frontladerzinken / Schaufelzähne / Schürfleisten
- Hydraulikanlage
- Oldtimer-Ersatzteile
- Baumaschinen & Zubehör
- Flurfördertechnik
- Gemüseanbau-/ Gartenbau
- Garten & Forst
- Reifen
- Unser Altteilelager
- Duraplas Tanktechnik
- Durcheinander
- Öle und Schmiertechnik
- Lehner Streuer
- Werkstatt / Industrie
- Fahrzeugtechnik
- Sie suchen? Wir finden! - Anfrageformular
- Maschinen und Geräte
- Service
- Die Brander Landtechnik
Produkte filtern
–