Hungary
-
Shop - Our range
- EARLY OCCUPANCY
-
Agricultural machinery
-
Agriculture and grassland technology
-
agriculture
- Plough screws and special screws
- Packer rollers
- Rotary harrows
- Rotary tillers
- Drills and seed drills
- Short disc harrows
- Other plow parts
- Cultivator
- Disc harrows
- Hammer flails, flail blades, knives & accessories
- Agricarb - the tank
- Forestry mulchers and stone crushers
-
agriculture
- Harvesting and forage technology
- Fertilization, slurry & biogas technology
- Animal breeding
- drive shafts
- hunting
- Animal husbandry
- Tractor spare parts
-
Agriculture and grassland technology
- Construction machinery & accessories
- Industrial transport technology
- Vegetable cultivation/horticulture
- Garden & Forestry
- Tires
- Our old parts warehouse
- Duraplas Tank Technology
- Mixed up
- Oils and lubrication technology
- Lehner spreader
- Workshop / Industry
- Vehicle technology
- Machines and equipment
- Looking for something? We’ll find it! – Inquiry form
- service
- Brander agricultural technology
Filter products
–
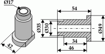
49 mm diameter socket for Hungary
Regular price:
€12.75
BL4231
Hersteller: Ungarn
Available, delivery time: 3-5 Tage